产品介绍:
LXB型防爆单梁悬挂起重机是在”LX”的基础上,根据GB3836.1-2000《爆炸性环境用防爆电气设备》及GB3836.2-2000《爆炸性环境用电气设备隔爆型电气设备“d”》设计而成,具有结构合理,外形美观、防爆性强等特点。

LXB型防爆单梁悬挂起重机产品介绍:
LXB型防爆电动单梁悬挂起重机是在“LX型”的基础上,根据GB3836.1-2000《爆炸性环境用防爆电气设备》及GB3836.2-2000《爆炸性环境用电气设备“d”》设计而成,与HB(BCD)、HBS(BMD)型防爆电动葫芦配套使用。防爆等级分别为ExdIIBT4、ExdIICT4。

防爆电动单梁悬挂起重机制造与检验符合
GB3836.1-2000《爆炸性气体环境用电气设备 第1部分:通用要求》
GB3836.2-2000《爆炸性气体环境用电气设备 第2部分:隔爆型“d”》
GB3836.3-2000《爆炸性气体环境用电气设备 第3部分:增安型“e”》
GB3836.4-2000《爆炸性气体环境用电气设备 第4部分:本质安*型“i”》
GB12476.1-2000 《可燃性粉尘环境用电气设备 第1部分:用外壳和限制表面温度保护的气体设备 第1节:电气设备的技术要求》

防爆单梁悬挂起重机产品应用:
防爆电动单梁悬挂起重机的防爆标志为ExdeibIICT4/DIP A21 TA,T4,可在防爆等级为IIB级、IIC级和粉尘环境中使用,广泛应用于军工、化工、洗煤厂、制药单位的工厂、仓储、料场等场所,可在易燃、易爆及腐蚀性介质环境工作。
LXB型防爆单梁悬挂起重机具有结构合理、外观美观、防爆性强等特点。本产品适用于有爆炸性气体的环境,不适用于有爆炸性粉尘的环境,操作形式为地面操作。工作环境-25℃-+40℃。

产品规格:
1、起重吨位有0.5、1、2、3、5、10吨
2、跨度在3-16米范围内
3、工作环境温度为-25℃~+40℃之间
4、纵方式为地面操纵(有线和无线两种)
设备用途:
该机多用于仓库、山洞、煤矿,有爆炸性气体的环境, 不适用于有爆炸性粉尘的环境。
结构优点:
本机主梁为箱形与工字钢焊结构,在 强度、刚度和稳定性的基础上具有美观、体积小的优点。主、端梁连接采用拆分式结构,方便于运输、安装。 本产品设有地面和操纵室两种操纵形式。操纵室备有开式、闭式两种,入门方向有侧面及端面两种,供用户按不同要求进行选择。
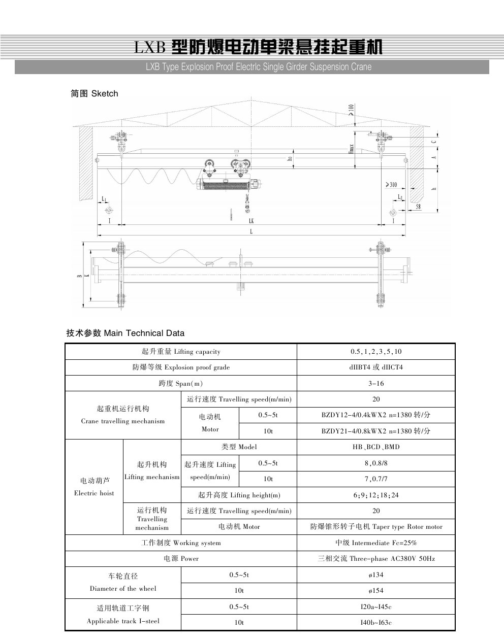
技术参数:


                                    
                                    10吨防爆桥式起重机适用于哪些场景
                                    
                                    购买防爆航车 老式和欧式防爆起重机哪种更好
                                    
                                    煤矿上选用防爆起重机有两成的老板都选错了
                                    
                                    福建莆田防爆行吊厂家防爆桥式起重机选购指南
                                    
                                    四川广元防爆起重机销售厂家有着良好的技术
                                    
                                    四川内江防爆龙门吊销售厂家涉笔升降机常见事
                                    
                                    江西鹰潭防爆门吊厂家提醒您起重机使用勿要超
                                    
                                    江西九江防爆门吊厂家对机器进行清理保养
                                    
                                    江西萍乡防爆门吊厂家多吨位起重机发货直销
                                    
                                    湖北孝感防爆龙门吊销售期待与您的合作
                                    
                                    矿用防爆单梁起重机
                                    
                                    电动葫芦双梁门式起重机
                                    
                                    吊钩双梁门式起重机
                                    
                                    BLD型防爆电动单梁门式起重机
                                    
                                    防爆门式起重机
                                    
                                    QB型防爆桥式起重机
                                    
                                    双梁防爆桥式起重机
                                    
                                    QB型防爆吊钩桥式起重机
                                    
                                    通用防爆QB45t/15t起重机
                                    
                                    QB5-50t防爆桥式起重机
                                    
                                    防爆起重机的价格受哪些因素影响
                                    
                                    2025年防爆起重机选型全攻略
                                    
                                    LHB型-防爆电动葫芦行车行吊起重机
                                    
                                    LB型3-20吨防爆单梁行车行吊起重机

黄河重工防爆起重主要提供车间防爆起重机,防爆龙门吊,矿用防爆行车行吊等,是重合同守信用企业,技术精良,品质优良,设备规格齐全,可按需定制,全国设有多个售后服务网点,联系方式:13253557957
联系人:曹经理
电 机:15090366679
座 机:18738555339
地 址:河南省新乡市长垣起重工业园区